USM-LED230路燈電源防雷器
本產品為德國OBO品牌生產。
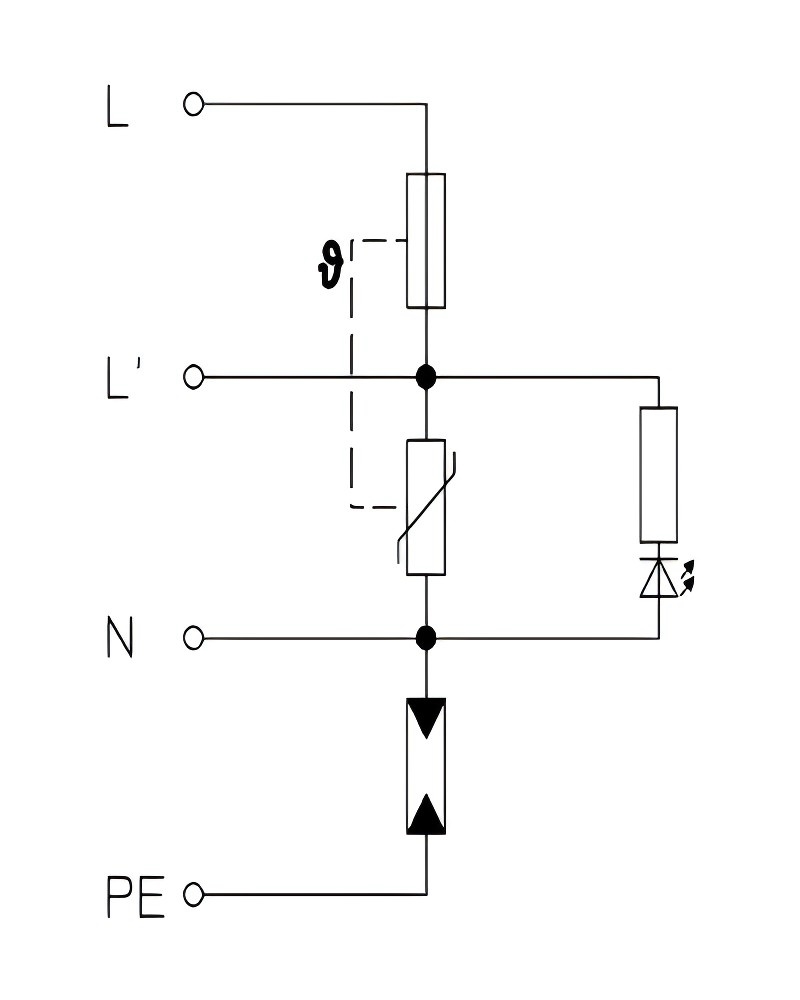
Surge protection module type 2+3 to En61643-11 for 230/400V power grids.
Appropriate for the protection of LED lighting.
• With visual function display
• Small size for the installation in the pole or in the LED lamp head
• 1+NPE protective circuit with a maximum discharge capacity of 20 kA
• Arises limitation under 1300 V or 1000 V @ 5 kA
• Available with or without cut-off function of the lamp in case of malfunction
Application: Universally deployable in lighting systems

內部結構原理圖:
